CLOSE

sales@syimotor.com

+86-512-65963935

+86-512-65963935

E-Bike System E-bike Motor
Blog Introductory Knowledge: What to Consider Before Purchasing an Electric Bicycle Debunking Myths: Four Misconceptions About Hub in Motors Revealing the Types of Ebike Motors, Which One Better Suits Your Riding Needs

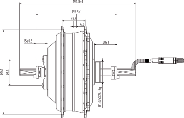
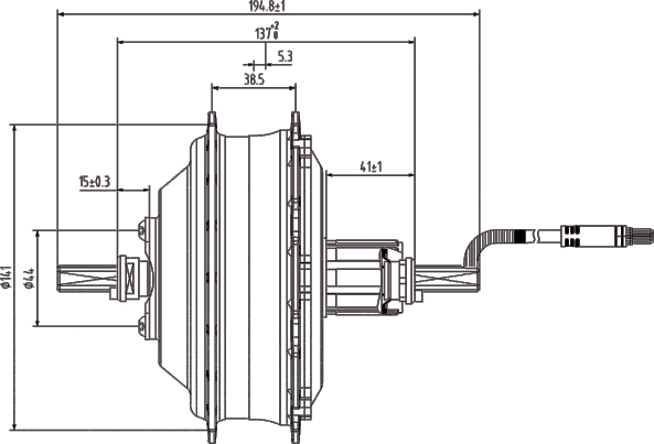
Specification of DGWX2C, DGWX2S-Rear Drive Motor-city bike




specificationparameter
Driving positionRear
Wheel size16in-28in
Spoke36holes 12G/13G
Rated power250W~350W
Rated voltage36V~48V
Max.torque≥50N.m
Efficiency≥80%
Cable sideRight
Number of magnet30
Reduction gear ratio0:01
Installation dimension135mm
Inside speed sensor1~6
Hall sensorWith/Without
Free wheelCassette 10-11S
Screw 6-7S
BrakeDisc-brake
V-brake
Classification of waterproofIPX5
Weight3.6Kg



Drawing of DGWH2C , DGWH2S-Rear Drive Motor-city bike 



Contact Us